Управление освещением с трех мест и более
Нередки ситуации, когда в жилых помещениях большой площади возникает потребность управлять освещением сразу из нескольких точек. Для создания системы многоточечного управления, позволяющей подключать и выключать свет из 3-х мест одновременно, установки одних проходных переключателей обычно недостаточно.

Для этих целей потребуется интегрировать в схему еще один элемент – перекрестный выключатель, который подключается в разрыве двухжильного провода (то есть между проходными приборами).
Если в прежние времена допустимость монтажа таких схем обуславливалась в основном планировкой помещений, то сегодня они встречаются практически повсеместно. Монтаж проходных выключателей этого типа – совсем непростое занятие. Прежде всего, потребуется ознакомиться с принципом его работы.
Принцип работы перекрестного переключателя (выключателя)
Конструкция переключателя предусматривает наличие четырех контактов, из которых два подсоединяются к клеммам одного переключателя и еще два – ко второму прибору.

Эти устройства при таком включении выполняют особые (транзитные) функции, поскольку являются в определенной степени переходными.
Наглядно посмотреть принцип работы перекрестного переключателя Вы можете на Gif-картинке, расположенной ниже.

Схема подключения проходного выключателя для управления из 3х мест
Схемное изображение подключения 2-х проходных и одного перекрестного переключателя представлено на рисунке.

Из него хорошо видно, что между двумя проходными переключателями устанавливается перекрестный выключатель, действующий в качестве своеобразного транзитного узла.
Ниже показана схема подключения проходного выключателя, на которой видно соединения всех элементов электрической цепочки управления освещением в распределительной коробке.

Видео, которое мы разместили ниже, несомненно поможет Вам собрать схему подключения трех выключателей в распределительной коробке.
Схема подключения проходного выключателя для управления из 4х мест
Для четырех точек управления потребуется применить комплексную схему распайки, изображенную на рисунке ниже. В таком комплекте используются не только два проходных, но и пара переключателей перекрестного типа.

При рассмотрении варианта управления светильником сразу из 4-х мест потребуются два перекрестных коммутирующих прибора.

При наличии в данном помещении нескольких осветительных групп предпочтение следует отдать двухклавишным выключателям перекрестного типа. Установленные таким образом проходные системы заметно упрощают процедуру управления освещением.
Схема подключения проходного выключателя для управления из 5 мест
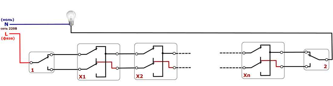
Для управление освещением из пяти точек потребуется два проходных выключателя и три перекрестных. Схема подключения будет выглядеть следующим образом:

Схема управления освещением из пяти мест и более с помощью проходных и перекрестных выключателей (1 и 2 — проходные, х1, х2 …хn — перекрестные)
Схема проходных и перекрестных выключателей
Одной из наиболее старых, и отлично зарекомендовавших себя схем, является способ использования проходных и перекрёстных выключателей. Цена таких выключателей не так уж высока, а схема подключения хоть и кажется на первый взгляд очень сложной, не должна вызвать у вас проблем.
Проходные и перекрестные выключатели
Но прежде чем переходить непосредственно к схеме подключения, давайте разберемся: что такое эти проходные и перекрестные выключатели, и чем они отличаются от привычных нам выключателей освещения.
Схема обычного одноклавишного выключателя | Для облегчения понимания, давайте разберем обычный выключатель. Он имеет два контакта, назовем их 1 и 2. При включенном положении выключателя, эти контакты замкнуты. При отключении выключателя, эти контакты размыкаются. |
Схема проходного выключателя | Теперь возьмём проходной выключатель. Он имеет уже три контакта – 1, 2 и 3. При включенном положении выключателя, замкнуты контакты 1 и 2. Контакт 1 и 3 разомкнут. При отключении такого выключателя, контакты 1 и 2 размыкаются, а контакты 1 и 3 замыкаются. |
Схема перекрестного выключателя | Как вы наверно уже догадались, перекрестный выключатель имеет уже четыре контакта – 1, 2, 3 и 4. Во включенном положении замкнуты контакты 1 и 3, а также 2 и 4. При отключении выключателя они размыкаются, и замыкаются контакты 1 и 4, а также 2 и 3. |
Схема подключения проходных и перекрёстных выключателей для управления освещением из 4 мест
Имея представление об особенностях устройства таких переключающих устройств, можно приступать к рассмотрению схемы их подключения. Кстати, правильно такие коммутационные устройства называть не выключатели, а переключатели.
Установка выключателя
Итак:
- Любое управление освещением с 4 мест, подразумевает установку четырех коммутационных аппаратов. Перекрестные и проходные переключатели для скрытой проводки, устанавливаются в обычные закладные коробки. Места их установки вы выбираете, исходя из целесообразности.
- Проходные выключатели должны быть первыми и последними в схеме. Поэтому их монтируют в крайних точках.
Подключение проходного выключателя
- Теперь приступаем непосредственно к подключению. Начнем с подключения первого проходного выключателя. От распределительной коробки, как и к обычному выключателю, вы берете фазный провод. Подключить его следует к контакту один. Обычно его можно определить визуально.
- От двух других контактов первого проходного переключателя, вы монтируете двухжильный провод к первому перекрестному выключателю. Сделать это можно через соединение в распределительной коробке, а можно путем подключения непосредственно к контактам переключателя. Подключить их следует к контактам 1 и 2, как на видео.
Подключение перекрёстного выключателя
Теперь осталось подключить контакт 1 второго перекрестного выключателя к светильнику. Все, подключение выключателей окончено. Осталось подключить нулевой и защитный провод к соответствующим контактам светильника — и наша схема готова к работе.
Схема управления освещением из четырех мест
Как видите, подключение данной схемы не представляет особой сложности, и его вполне можно выполнить своими руками. В то же время, при монтаже всей схемы через одну распределительную коробку, даже опытные электрики могут запутаться.
А большое количество контактных соединений не добавляет схеме надежности. Исходя из этого, в последнее время такая схема применяется все реже. Ведь есть и более простые варианты.
Известные производители проходных переключателей
Компания Легранд занимает лидирующую позицию на рынке электротоваров. Востребованность проходных выключателей Legrand обусловлена высоким качеством исполнения изделий, простотой монтажа, удобствами в дальнейшей эксплуатации, стильным дизайном и гибкой ценовой политикой. Единственным недостатком является необходимость в подгонке установочного места. Если оно не будет совпадать с изделием, могут возникнуть трудности при его монтаже, который выполняется согласно схеме подключения проходного выключателя Легранд.

Проходные переключатели фирмы Legrand
Дочерним предприятием Легранд является китайская компания Lezard. Однако от родного бренда у изделий остался лишь стильный дизайн. Качество сборки намного ниже, что обусловлено низкой стоимостью продукции.
Одним из ведущих отечественных производителей электротоваров считается компания Wessen, которая является частью фирмы Schneider Electric. Все изделия изготавливаются по новейшим технологиям на современном зарубежном оборудовании и соответствуют европейским стандартам качества. Модели обладают универсальным стильным дизайном, позволяющим вписать каждый элемент в любой интерьер помещения. Отличительной чертой выключателей Wessen является возможность замены декоративной рамки без демонтажа устройства.
Еще одним не менее известным производителем является турецкая компания Viko. Изделия характеризуются высоким качеством исполнения, надежностью и долговечностью, соответствуют требованиям электробезопасности и европейским стандартам качества. При изготовлении корпуса устройства применяется пожаробезопасный прочный пластик, который рассчитан на большое количество циклов работы.

У проходного выключателя, в отличие от обычного, три проводимых провода
Турецкий бренд Makel предлагает качественную, надежную, безопасную и стильную продукцию. Благодаря возможности подключения шлейфа без надобности задействования распределительной коробки, монтаж выключателей становится более простым, а дальнейшая эксплуатация – комфортной и безопасной.
Популярный модельный ряд проходных переключателей
Проходные выключатели Легранд из серии Velena отличаются стильным дизайном и многообразием цветовых вариаций. Здесь представлены одно и двухклавишные изделия, которые имеют пыле- и влагозащитный слой. Купить выключатель можно от 300 р.
В серию Celiane вошли изделия, у которых круговые клавиши вписаны в квадрат. Они могут быть бесконтактными с рычажками или бесшумными. Стоимость переключателей начинается от 700 р. Модельный ряд Exclusive Celiane представлен ограниченным количеством выключателей, выполненных вручную из мрамора, бамбука, фарфора, золота, мирта и других материалов. Рамки выполняются исключительно на заказ. Цена за изделие начинается от 5,9 тыс. р.

Цветовые решения для переключателей из серии Celiane
Самыми популярными сериями выключателей от компании Lezard являются Demet, Mira и Deriy. Здесь представлены изделия, выполненные из негорючего поликарбоната, что соответствует требованиям электробезопасности. Токопроводящие элементы изготовлены из фосфорной бронзы, что характеризуется высокой проводимостью и низким подогревом. Купить проходной одноклавишный выключатель можно от 125 р.
В серии W 59 Frame от Wessen используется модульный принцип, позволяющий установить от 1 до 4 устройств в одну рамку горизонтально или вертикально. Цена изделия составляет 140 р. Отличаются простым дизайном, но высоким качеством исполнения одинарные и двойные проходные выключатели из серии Asfora, купить которые можно за 450 р.
Среди популярных серий компании Makel можно выделить Defne и Makel Mimoza. Корпус устройств выполняется из высококачественного пластика, оснащенный внутренним надежным механизмом. Стоимость изделий начинается от 150 р.

При нажатии кнопки вкл/выкл подвижный контакт проходного выключателя перекидывается из одного контакта на другой, создавая при этом условия для новой цепи в дальнейшем
Принцип работы и установка коммутирующих устройств не представляют существенных сложностей. Необходимо предварительно изучить схему подключения и следовать рекомендациям правил электробезопасности, что даст возможность осуществить надежный и безопасный монтаж устройств, тем самым обеспечит удобное и комфортное управление осветительными приборами в доме.
Как подключить проходной выключатель: видео схемы подключения
https://youtube.com/watch?v=9cG_VmdR4uk
Общая схема переключателя света с двух мест
Правильное соединение в распред коробке этап, где любая ошибка не позволит схеме переключателей света работать правильно.

Нейтраль и заземление питающего кабеля, согласно принципа работы системы, идут сразу к потребителю (светильник).
Фаза поступает на переключатели, где с помощью перекидного механизма подаётся на один из двух контактов, соединяющих его со вторым устройством управления. А то, в свою очередь, уже связано с люстрой.
Таким образом, если на пути сигнала контакты замкнуты – электрический ток попадает на люстру и свет включается, если же при этом нажать клавишу одного из двух механизмов, цепь разрывается и он гаснет, до следующего нажатия любого из них.
Как видите схема, казавшаяся на первый взгляд запутанной проста и реализовать её может каждый. О том, как подключаются сами механизмы, подробно описано ЗДЕСЬ.
Как подключить проходные выключатели для управления освещением из нескольких мест? Схемы подключения и видео
Как уже было сказано выше, проходные выключатели предназначены для управления одной или несколькими группами освещения. Мы уже рассмотрели, как подключить проходной выключатель, и знаем, что управлять осветительными приборами можно из двух или более точек, но у каждой из таких схем имеются свои особенности.
Такое устройство, как выключатель, может выглядеть изящно и богато
В отличие от обычных одно, двух и трехклавишных коммутационных устройств, которые монтируются по одиночке, установку проходных выключателей выполняют только попарно. Далее мы рассмотрим, как выполнить схему управление группами освещения из двух и более мест и особенности подключения.
На видео наглядно показана схема подключения проходного выключателя:
Watch this video on YouTube
Принципиальная схема подключения проходного выключателя с 2-х мест
Подключение проходного переключателя практически не отличается от монтажа обычного 1, 2 или 3-х клавишного выключателя. Различие заключается лишь в количестве клемм и подводимых проводов.
Для реализации схемы подключения проходного выключателя с двух мест потребуется наличие двух коммутирующих устройств, распределительная коробка, в которую подводятся провода от осветительных приборов и трехжильные кабеля от переключателей.
Схема подключения проходного выключателя на 2 точки
Фазовый провод от распредкоробки присоединяется к общему входному контакту 1 проходного переключателя. Выходные контакты параллельно соединяются с аналогичными клеммами второго коммутирующего устройства. От общего контакта второго переключателя провод идет на клемму осветительного прибора. Другая клемма светильника проводом соединяется в распределительной коробке с «нулем».
Вот в принципе и вся схема подключения переключателей с двух мест. По-моему ничего сложно в этом нет.
Схема подключения проходного выключателя с 3-х мест
Иногда возникает потребность в создании более двух точек управления различными группами освещения, например, на лестницах многоэтажных домов, в больших залах, длинных коридорах с несколькими выходами и т.д. В таких случаях реализуется схема подключений проходных выключателей на 3 точки минимум.
Реализация схемы подключения проходного переключателя из трех мест актуальна в многоэтажных домах
Выполнить подобное подключение также можно без проблем, однако, для этого помимо обычных проходных переключателей потребуется и перекрестный выключатель. В таких коммутирующих устройствах имеется уже не три, а четыре контакта – пара входных и два выходных, которые переключаются одновременно, а соответственно необходимо использования четырехжильных кабелей.
В подобной схеме на первой и последней точке управления освещением применяются обычные проходные выключатели, тогда как на всех остальных пунктах задействуются перекрестные переключатели. Число мест управления группами осветительных приборов неограниченно, но с каждой дополнительной точкой осложняется расключение в распредкоробке вследствие большого количества проводов. Для облегчения работ необходимо промаркировать провода, чтобы впоследствии не запутаться в них.
Схема подключения проходных выключателей из 3 мест
Принцип подключения проходных выключателей для трех точек управления следующий:
- Выходные контакты первого проходного переключателя при помощи проводов соединяется с входной парой клемм, идущего следом перекрестного выключателя, и так далее вплоть до последней точки управления, общий провод которого присоединяется к контакту осветительного прибора. Фазовый провод присоединяется к входному контакту первого коммутирующего устройства, а второй провод, идущий от светильника, приходит на «нуль» в распределительной коробке.
- К каждому из проходных переключателей подводится трехжильный провод, а к перекрестным – четырехжильные.
На приведенной выше схеме изображено подключение к освещению трех точек управления, состоящих из двух проходных и одного перекрестного выключателей.
Схема подключения проходного выключателя с 4х мест
Разобравшись, с приведенными выше вариантами расключения, несложно будет осуществить реализацию схемы подключения проходного выключателя на 4 точки и более. Разница заключается во внедрении в цепь дополнительных перекрестных переключателей.
Принципиальная схема подключения проходных переключателей для 4 мест
Принцип работ практически ничем не отличается от предыдущих, просто придется иметь дело с еще большим количеством проводов, так, что совсем нелишним будет их промаркировать.
Преимущества и недостатки схемы ПВ с 2 мест
У таковой схемы включения есть преимущества и недостатки. Они вытекают из самой сути работы подобного переключателя. К преимуществам относят:
- Повышение уровня комфорта. Из приведенных выше примеров исходит, что использование схемы позволяет избавиться от неудобств, возникающих в быту;
- Простота исполнения. Данная электросхема очень проста в исполнении, и не требует применения какого-либо дополнительного специфичного оборудования;
Недостатком подобной реализации управления освещением называют только перерасход электроэнергии. Вспомним вышеупомянутый пример про подъезд. Войдя в него, человек включает свет, а уже поднявшись на свой этаж выключает его. Освещение будет продолжать работать на всех этажах, пока житель дома не нажмет на переключатель. Подобный расход нельзя внушительным, а когда речь идет о небольших помещениях, он и вовсе отсутствует.
Советы и рекомендации
При выборе такого устройства нужно учитывать конструкционные особенности, а также их функциональное назначение.
С целью реализации разнообразных схем управления потребителями электрической энергии, применяются переключатели двойного или тройного типа, а также стандартные перекрестные устройства.
Кроме всего прочего, по способу монтажа, коммутационные проходные аппараты могут устанавливаться внутренним или наружным способом. При этом нужно учитывать все достоинства и недостатки таких способов.
Чаще всего применяется внутренний монтаж, который отличается надежностью, эстетичностью и гарантированной безопасностью. В любом случае, главным условием правильной установки и безопасной эксплуатации является строгое соблюдение всей схемы подключения осветительных приборов.
Как подключить проходные выключатели для управления освещением из нескольких мест? Схемы подключения и видео
Как уже было сказано выше, проходные выключатели предназначены для управления одной или несколькими группами освещения. Мы уже рассмотрели, как подключить проходной выключатель, и знаем, что управлять осветительными приборами можно из двух или более точек, но у каждой из таких схем имеются свои особенности.
Такое устройство, как выключатель, может выглядеть изящно и богато
В отличие от обычных одно, двух и трехклавишных коммутационных устройств, которые монтируются по одиночке, установку проходных выключателей выполняют только попарно. Далее мы рассмотрим, как выполнить схему управление группами освещения из двух и более мест и особенности подключения.
На видео наглядно показана схема подключения проходного выключателя:
Watch this video on YouTube
Принципиальная схема подключения проходного выключателя с 2-х мест
Подключение проходного переключателя практически не отличается от монтажа обычного 1, 2 или 3-х клавишного выключателя. Различие заключается лишь в количестве клемм и подводимых проводов.
Для реализации схемы подключения проходного выключателя с двух мест потребуется наличие двух коммутирующих устройств, распределительная коробка, в которую подводятся провода от осветительных приборов и трехжильные кабеля от переключателей.
Схема подключения проходного выключателя на 2 точки
Фазовый провод от распредкоробки присоединяется к общему входному контакту 1 проходного переключателя. Выходные контакты параллельно соединяются с аналогичными клеммами второго коммутирующего устройства. От общего контакта второго переключателя провод идет на клемму осветительного прибора. Другая клемма светильника проводом соединяется в распределительной коробке с «нулем».
Вот в принципе и вся схема подключения переключателей с двух мест. По-моему ничего сложно в этом нет.
Схема подключения проходного выключателя с 3-х мест
Иногда возникает потребность в создании более двух точек управления различными группами освещения, например, на лестницах многоэтажных домов, в больших залах, длинных коридорах с несколькими выходами и т.д. В таких случаях реализуется схема подключений проходных выключателей на 3 точки минимум.
Реализация схемы подключения проходного переключателя из трех мест актуальна в многоэтажных домах
Выполнить подобное подключение также можно без проблем, однако, для этого помимо обычных проходных переключателей потребуется и перекрестный выключатель. В таких коммутирующих устройствах имеется уже не три, а четыре контакта – пара входных и два выходных, которые переключаются одновременно, а соответственно необходимо использования четырехжильных кабелей.
В подобной схеме на первой и последней точке управления освещением применяются обычные проходные выключатели, тогда как на всех остальных пунктах задействуются перекрестные переключатели. Число мест управления группами осветительных приборов неограниченно, но с каждой дополнительной точкой осложняется расключение в распредкоробке вследствие большого количества проводов. Для облегчения работ необходимо промаркировать провода, чтобы впоследствии не запутаться в них.
Схема подключения проходных выключателей из 3 мест
Принцип подключения проходных выключателей для трех точек управления следующий:
- Выходные контакты первого проходного переключателя при помощи проводов соединяется с входной парой клемм, идущего следом перекрестного выключателя, и так далее вплоть до последней точки управления, общий провод которого присоединяется к контакту осветительного прибора. Фазовый провод присоединяется к входному контакту первого коммутирующего устройства, а второй провод, идущий от светильника, приходит на «нуль» в распределительной коробке.
- К каждому из проходных переключателей подводится трехжильный провод, а к перекрестным – четырехжильные.
На приведенной выше схеме изображено подключение к освещению трех точек управления, состоящих из двух проходных и одного перекрестного выключателей.
Схема подключения проходного выключателя с 4х мест
Разобравшись, с приведенными выше вариантами расключения, несложно будет осуществить реализацию схемы подключения проходного выключателя на 4 точки и более. Разница заключается во внедрении в цепь дополнительных перекрестных переключателей.
Принципиальная схема подключения проходных переключателей для 4 мест
Принцип работ практически ничем не отличается от предыдущих, просто придется иметь дело с еще большим количеством проводов, так, что совсем нелишним будет их промаркировать.
Схемы подключения проходных выключателей
Способ расключения маршевых выключателей определяется конкретными условиями применения. В нескольких случаях мы рассмотрим 2 варианта изображения подключения. Первый из них более прост для понимания, и его достаточно при установке приборов в случае уже существующей электропроводки. Другой вариант учитывает требование прокладки кабеля с применением распределительных коробок, что реально исполнить в новостройке или при замене проводки.
Стандартный вариант установки в 2-х точках
Вариант управления одним или несколькими параллельно соединенными лампами из двух местоположений наиболее востребован и прост. Существует четыре возможные комбинации положения клавиш двух выключателей: в двух из них светильник включен, в двух других – выключен.
В примере с фото приборов сзади цепь разомкнута, и лампа не горит. На нижней части иллюстрации цепь замкнута, и свет включен. Можно сказать, что в данной схеме подключения один обычный выключатель заменен двумя одноклавишными проходными, соединенными между собой двухжильным кабелем.
Данная иллюстрация демонстрирует подключение с применением распределительной коробки. Как видите, каждый из приборов соединен с коробкой трехжильным кабелем.
Схемы управления одним светильником из нескольких точек
Управление из нескольких точек необходимо при движении по длинному переходу. Например, в трехэтажном доме на каждом этаже можно управлять освещением на лестнице там, где нужно.
Чтобы реализовать схему независимого управления освещением из трех местоположений, необходим перекрестный выключатель. Как и в предыдущем варианте, они могут быть соединены между собой двухжильным кабелем.
Теперь познакомимся со схемой электромонтажа, выполненной по всем правилам, с применением распредкоробки. Как видите, для подсоединения к распределительной коробке двух проходных переключателей необходим трехжильный кабель, а для перекрестного — придется использовать два двухжильных.
По этому же принципу можно построить схему управления освещением из 4-х и более местоположений. Первый и последней прибор в цепи – проходные выключатели. Промежуточные приборы — перекрестного типа.
Управление несколькими светильниками из нескольких мест
Бывают ситуации, когда необходимо управлять несколькими светильниками из нескольких местоположений. Например, в спальне возможна установка одного двухклавишного проходного переключателя у двери, а другого — у кровати. Тогда в обоих местах можно будет включать и выключать как общее освещение в комнате, так и светильники у кровати.
Для реализации такой схемы потребуется два двухклавишных проходных выключателя. Для их соединения в простейшем случае необходимо два двухжильных кабеля.
Монтажная схема правильного подключения двухклавишного проходного выключателя с применением распредкоробки выглядит более внушительно. Коробка потребуется большого размера, так как в ней должно уместиться восемь соединений проводов. Для подключения первого проходного выключателя потребуется двухжильный и трехжильный кабель, а для подсоединения второго – два трехжильных.
Теоретически, увеличивая количество проходных 2-х клавишных выключателей, можно осуществлять независимое управление освещением 2-х светильников из любого количества мест. Возможно, Вы захотите оперировать из двух местоположений тремя группами лампочек в люстре. Схема с применением тройного выключателя демонстрирует реальную возможность такой работы, однако кабеля при этом потребуется немало.
Данная схема подключения проходного выключателя из 3-х мест демонстрирует возможность управления двумя отдельными лампочками. Два двухклавишных проходных выключателя могут стоять у кровати, третий – у двери спальни. Везде можно включить и выключить местное освещение, либо общий светильник.
Как мы уже заметили, схему управления освещением можно наращивать бесконечно. Возможность включать и выключать 2 различных светильника из четырех точек может пригодиться в длинном коридоре дома с большим количеством комнат. Очевидно, после рассмотрения различных примеров не составит труда составить самому любую схему независимого управления освещением с применением одноклавишных и других проходных выключателей.
Примеры практического применения
Цифровой прибор следует перевести переключателем в режим прозвонки.
В этом случае одной и той же лампой можно будет управлять с каждого этажа и, при желании, с подвала.
Проходной выключатель позволяет замкнуть одну из двух цепей Как сделать проходной выключатель из обычного: порядок выполнения работ Не всегда удается быстро найти подходящую модель устройства, позволяющего управлять освещением сразу из двух точек. Соединение проводников с помощью специальных зажимов WAGO.
Посмотрим на следующую принципиальную схему: На ней изменились три вещи: К коммутационной коробке S1 к переключателю S2 подключены два кабеля, которые используются для питания других переключателей освещения. Выделяют ПВ открытого для соединения с открытой проводкой и закрытого тип Для соединения с проводкой, идущей внутри стен. Схема с двумя проходными выключателями, допускающее управление двумя нагрузками Более детально разобраться со схемой подключения переключателя с двух мест поможет следующее видео: Здесь наглядно показано, как соединять провода в распределительной коробки, чтобы в процессе эксплуатации не возникало трудностей.
5 комментариев
Электрическое освещение — незаменимый спутник любой современной квартиры. Первое используется для подключения контакта на входе, второе — на выходе. Для их соединения в простейшем случае необходимо два двухжильных кабеля. При этом их функциональные возможности сильно отличаются.
Места использования Помимо спальни похожие ситуации могут возникать достаточно часто. Перед началом работы с помощью тестера напряжения убедитесь, что на силовых кабелях нет электрического потенциала, предпочтительно на всех выводах выходящих из короба. Перекрестное устройство подсоединяется между проходными. Выбирая подходящий вариант, следует покупать модель на одинаковое количество клавиш для каждой точки. В таких ситуациях возникает необходимость управления освещением с двух мест, именно для решения таких задач и предназначены так называемые проходные выключатели.
Разновидности перекрестных и проходных переключателей
При современном электромонтаже более часто стали применяться проходные переключатели, которые способны выключать или включать, например, освещение в комнате при входе в комнату и одновременно возле кровати или, например, с двух сторон коридора. Для первого случая на монтаж потребуются подрозетники. Также выгодно использовать подобную схему в небольших домах, величиной этажей. Схема электрическая включения лампы из трех мест. Обычный выключатель только замыкает и размыкает цепь Установка двух обыкновенных выключателей в разных местах комнаты не позволит управлять лампой сразу из двух мест.
Подобно переключателю S1 соединяем защитные проводники с одним разъемом и нейтральными проводниками с помощью второго разъема. Выводы и полезное видео по теме Как происходит на практике применение схем по подключению проходных выключателей из нескольких мест, можно узнать из представленных видеороликов. Благодаря этим перемычкам, фаза на источник освещения может быть подана либо с одного, либо второго выключателя, что позволит включить освещение с нескольких мест. Подобные решения пригодятся в больших домах и маленьких квартирах. Чтобы не ошибиться, что за выключатель, следует ознакомиться со схемой включения, которая присутствует на корпусе выключателя.
Схема подключения двухклавишного проходного и перекрёстного переключателя с двух и более мест.





































