Как работают бетономешалки
Раз уж пошла речь о способах замешивания, не мешает разобраться, как вообще работает бетономешалка. И для полного понимания дальнейшего тоже полезно будет.
В основном используются четыре способа замешивания цементно-песчаного строительного раствора:
- гравитационный;
- принудительный механический;
- принудительный вибрационный;
- комбинированный гравитационно-механический.
При гравитационном замешивании емкость с компонентами раствора переваливается, раствор плюхается сам на себя и при этом перемешивается. Большого объема так не замесишь, качество готового бетона выходит лишь удовлетворительное, поэтому в промышленности такой способ не применяется. Но для себя можно быстро и просто сделать вполне приличную гравитационную бетономешалку, см. далее.
При вибрационном замешивании бадья остается неподвижной, а миксер-замешиватель возбуждает в массе исходной смеси волны сжатия, очень хорошо перемешивающие и уплотняющие раствор. Недостаток способа – большие энергозатраты: на 20 л раствора необходим привод замешивателя-вибратора в 1,3 кВт. Но качество бетона выходит исключительное, поэтому виброзамес применяется для особо ответственных конструкций: плотин ГЭС и т.п. В таком случае ради экономии энергии предварительно замешанный раствор заливают в опалубку и уже на месте «доводят» вибраторами. Но небольшую вибромешалку можно изготовить и самому, далее будет сказано и об этом.
Механические смесители
Самодельная бетономешалка своими руками механического типа внешне очень похожа на гравитационную. Главное различие находится у нее внутри.

Это направляющие и рассекающие лопасти, приваренные к внутренним стенкам емкости. Они направляют падение переворачиваемых пластов, рассекая их при этом на отдельные части.
В этом случае сметь будет получаться более качественной и за более короткое время. Наличие лопастей изменяет сам принцип гравитационного перемешивания. Поэтому рабочую емкость можно располагать не только горизонтально, но и под углом, что позволяет более рационально использовать объем бетономешалки и делает работу более удобной.

Схематическое изображение механического бетоносмесителя.
Кроме этого, рабочая емкость, установленная под углом к горизонту, уже не требует наличия закрывающейся герметичной крышки, а вываливание готовой смеси можно осуществлять через постоянно открытое отверстие, переворачивая саму рабочую емкость.
Изготовление рабочей емкости
В качестве рабочей емкости можно также использовать стальную бочку, к внутренним стенками которой следует приварить стальные лопасти под углом 30-35 градусов. Высота лопастей должна быть равна четверти диаметра бочки. Возможен вариант приварки лопастей к вращающему валу, проходящему внутри.

Более сложным вариантом будет изготовление емкости собственной конструкции, этакой самоделки. Для этого понадобится отрезок стальной тонкостенной трубы с толщиной стенки 2,5-3,5 мм, диаметром не менее 800 мм и длиной не менее метра.

Опорную раму лучше всего изготовить из стальных профильных труб.
Одну сторону трубы заваривают стальным кругом. С другой стороны вырезают 4-6 треугольных сегментов, которые подгибают к середине и сваривают между собой. В итоге получается емкость, напоминающая грушу. Внутри груши приваривают лопасти, а по центру, с внешней стороны днища, — стальную ось для последующего закрепления приводного шкива.
Они менее подвержены изгибу, чем уголок, и имеют относительно небольшой вес. В конструкции рамы следует предусмотреть установку опорных колес, на которых будет лежать емкость, и площадку для установки электродвигателя.
Сама рама должна состоять из двух частей:
- опорной, на которой будет держаться вся конструкция;
- поворотной, на которую будет опираться рабочая емкость.

Опорная рама с ручкой и колесиками.
Опорная и поворотная части рамы соединяются между собой через короткие валы, закрепленные в подшипниках или втулках.
К одному из валов нужно приварить поперечную ручку для возможности наклона поворотной части рамы, а вместе с ней и рабочей емкости, которая будет лежать на раме, опираясь на колесики.
Привод механической бетономешалки
Привод для вращения миксера в устройствах такого типа встречается крайне редко и только при маленьком объеме рабочей емкости. Обычно для вращения используют электродвигатель, соединенный с миксером через ременную передачу.

Еще лучше соединять электропривод через редуктор, но сделанная своими руками бетономешалка в этом случае окажется слишком дорогой с точки зрения необходимых компонентов. В заводских конструкциях можно увидеть зубчатую передачу от двигателя, установленного сбоку от емкости, в месте наибольшего диаметра, но при самостоятельном изготовлении такое решение выполнимо только теоретически.

Инструкция: самодельная бетономешалка с двигателем от стиральной машины
Есть два вида бетоносмесителей:
- Механический. Емкость приводится в движение силовым воздействием. Это практически то же, что мешать бетон в обычной емкости. Сколько сил и времени у вас уйдет на работу с ручным приводом? Поэтому лучше остановиться на следующем варианте.
- Электрический. Бак приводится в движение электрическим двигателем.
Технология изготовления бетономешалки довольно простая. Но прежде чем приступить к работе, задумайтесь, сможете ли вы самостоятельно подключить двигатель? Если ответ положительный, тогда подготовьте все необходимое.
Комплектующие
- Бочка от старой стиральной машины объемом 200 литров (желательно с вертикальной загрузкой). Именно такого объема достаточно для замеса оптимального количества бетона для работы.
- Электродвигатель (мощность 200 Вт).
- Шкив, приводной ремень, выключатель от стиралки.
- Для изготовления основания нужен металлический уголок размером 50х50.
- Колеса. Два колеса можно взять от старой коляски, тачки, телеги.
- В качестве оси понадобится прочный стержень из металла на 4,5 см.
- Редуктор.
- Арматура.
- Полоса из металла.
- Шариковые подшипники.
- Провод.
- Шайбы и болты.
Читать также: Какие вольфрамовые электроды для сварки нержавейки
Инструменты
- Болгарка.
- Ножовка по металлу.
- Дрель.
- Паяльник.
- Сварка с электродами.
Почему выгодно делать бетономешалку из старой стиральной машины? Потому что бак машины вполне подходит для замеса раствора, его сливное отверстие можно закрыть. Моторы старых стиралок достаточно прочные и надежные.
Комплексное использование всех элементов защищает двигатель от попадания посторонних предметов при работе. Это избавит вас от необходимости делать защиту.
Пошаговое выполнение работ
Перед тем как приступить к работе, вы можете подготовить чертежи, чтобы облегчить сборку конструкции. Один из чертежей представлен ниже:
Изготовьте каркас (основание)
Это важный момент, поскольку вся конструкция будет опираться на каркас. Основание должно быть прочным и устойчивым.
- От приготовленных уголков 50х50 отрежьте две части по 60 см и четыре по 80 см. Отрезок 60 см служит основанием для опорного треугольника, отрезки 80 см – его ребра. Сложите и сварите треугольники. Поставьте их напротив друг друга.
- Теперь приварите к ребрам треугольников два уголка по 50 см. Получается устойчивая конструкция.
- К вершинам треугольников нужно приварить две гайки. Диаметр их отверстия должен быть больше, чем труба диаметром 30 мм. Затем эту трубу нужно потянуть через отверстия гаек и запрессовать концы. Труба должна свободно вращаться, но не соскакивать с места.
- Изготовьте верхнюю часть. Возьмите два уголка длиной 1,4 м и три по 40 см. Те, что по 1,4 метра, положите друг против друга. Остальные расположите поперек на равном расстоянии, по типу лесенки. Приварите части друг к другу.
- Основания готовой конструкции приварите к подвижной трубе. Располагать ее нужно поперек трубы по центру.
Корпус
К основанию каркаса арматурой прикрепите колеса.
Теперь на очереди бак. Удалите из бака активатор и закройте сливное отверстие. Установите вал или ось подходящего размера на место активатора. Из полосы металла изготовьте самодельные лопасти, которые будут перемешивать бетон. Их можно дополнительно закрутить с помощью плоскогубцев. Приварите лопасти на металлическую полосу и прикрепите к валу.
Чтобы своими руками установить большую бочку, положите ее на лесенку каркаса. Следите, чтобы большая ее часть контактировала с уголком. Приварите бочку к основанию для надежной установки. При этом дно бака должно обращаться к верхушкам треугольников.
Подключение двигателя
Подключается мотор к задней части бака. Для этого на уголках просверлите два отверстия. На корпусе мотора вы также заметите отверстия, приложите их к уголкам и закрепите болтами с гайками.
Чтобы двигатель не сломался из-за непогоды, изготовьте кожух из автомобильной камеры. Предусмотрите отверстия по бокам, чтобы не было перегрева.
Осталось подключить мотор к сети напряжения и проверить работу самодельной бетономешалки. Удобство такой конструкции в том, что лесенка наклоняется по типу качели. Поэтому готовый раствор можно с легкость вылить, наклонив бак.
Зная, как сделать бетономешалку из подручных средств, можно хорошо сэкономить и обзавестись собственной техникой. Действуйте последовательно, и все получится.
А почему нельзя дрелью?
Почти каждый хотя бы раз видел, как замешивают раствор в ведре дрелью с насадкой-миксером. Казалось бы, вот оно – решение! Притянул дрель с миксером хомутом к кронштейну, и – знай, меняй ведро за ведром.
Во-первых, дрель не рассчитана на длительную работу и в таком режиме долго не протянет. Но не это главное препятствие. Любой, кто замешивал раствор подобным образом, знает: инструмент при замешивании нужно водить туда-сюда и по кругу. Иначе, вываливая раствор, увидишь комки песка, а это недопустимый брак. Поэтому механическое принудительное замешивание в неподвижной бадье не применяется и в промышленных условиях – механизм перемещения миксера выходит сложным, дорогим и ненадежным.
Самостоятельное изготовление
Заводская бетономешалка или сделанная своими руками состоит из трех основных компонентов: бадья, в которой перемешивается раствор, рама для крепления компонентов и привод – ручной или электрический (в некоторых случаях используются двигатели от мопеда или скутера).
На видео самодельная бадья для комбинированного смешивания раствора установлена на трактор Т-16:
Бадья для раствора
Во-первых, надо обдумать ее размер, учитывая что загружаться она будет на 30-40%. Больше нельзя, так как раствор будет выплескиваться и плохо перемешиваться.
Во-вторых, внимание надо обратить на форму – она должна быть грушевидной. Сверху, чтобы не выплескивалась вода и раствор, снизу – чтобы частицы бетона не забивались в углы между стенкой и дном. Почти готовая бадья это пластиковая бочка нужных размеров – кроме того, что она подходит по форме, дополнительным плюсом будет ее вес
Почти готовая бадья это пластиковая бочка нужных размеров – кроме того, что она подходит по форме, дополнительным плюсом будет ее вес.
Как вариант, может быть сделана бетономешалка из стиральной машины – если на чердаке завалялась старая советская круглая «стиралка», то с нее снимается бак для белья, который специально создан, чтобы внутри него крутилась жидкость. Дно усиливается, верх сужается и бак готов.
Если ничего подходящего нет, то грушу для бетономешалки можно сделать из стального листа, сечением 2-3 мм. Для днища следует взять металл потолще – порядка 5 мм – на него будет идти основная нагрузка от привода.
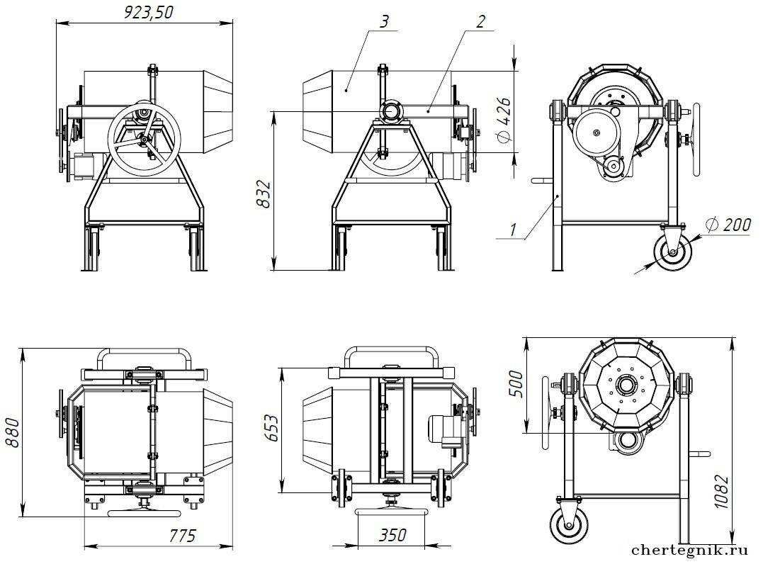
При диаметре 500 мм и высоте 400 получается компактная бадья, в которой, тем не менее, можно за раз приготовить 30 литров раствора.
Подробнее про конструкцию расскажут следующие чертежи:
Качественно сделать грушу для бетоносмесителя можно и не используя лопасти. На показанной схеме вместо них внутрь емкости наварены рассекатели раствора из 16 мм арматурного прута, которые дополнительно укрепляют конструкцию. Такая конструкция это отличная мешалка для арболита.
Крепление к валу происходит через ступицу от автомобильного колеса, которая приваривается или прикручивается ко дну. Если автомобильных запчастей в гараже не завалялось, то крепеж придется изготавливать вручную по чертежу.
Несущая рама
В ее конструкции могут быть самые различные вариации – здесь полная свобода действий, главное правило ее изготовления, чтобы она надежно удерживала все комплектующие и давала свободный доступ для загрузки-выгрузки бетона.
Основные различия инженерной мысли заключаются в способе выливания готового раствора, для чего делают подвижной саму бадью, либо конструируют определенным образом всю раму.
Для бадьи, изготовленной из стального листа, оптимальной будет рама, обеспечивающая ее наклон. Сама емкость присоединяется к приводу редуктора (15), на который усилие через муфту (16) приходит от двигателя (17).
Все это крепится на подрамнике (18) и поворачивается на шарнире (14). Для разных видов растворов рабочий наклон бадьи можно регулировать, для чего к подрамнику приваривается ушко (22) через которое проходит сектор (10), удерживаемый в нужном положении штырем (23).
Основных положений сектора нужно как минимум три:
Наклон 50% – для тяжелых растворов.
Наклон 30% – для легких смесей (например, штукатурных).
Горизонтальное положение чтобы промывать емкость.
Электродвигатель и редуктор
Редко эти детали покупаются отдельно – проще всего воспользоваться тем, что есть под рукой. Электродвигатель подойдет от стиральной машины, электрическая схема оттуда же, а редукторы собирают из велосипедных колес, ременных или цепных передач. Ближе всего к заводской конструкции это приваренный к днищу маховик, который крутится от «родного» бенедикса автомобильного стартера, насаженного на вал.
Все расчеты делаются отталкиваясь от следующих соображений:
- Мощность двигателя подбирается по соотношению 20 Ватт на литр раствора.
- Количество оборотов, что выдает редуктор для бадьи, должно находиться в пределах 30-50 за минуту. Меньшее количество увеличит время перемешивания, а большее будет разбрызгивать раствор или вообще вызовет центробежные силы, из-за которых перемешивание не будет происходить.
Популярные конструкции бетономешалок своими руками
Рассмотрим несколько простых вариантов, которые пользуются наибольшей популярностью.
Вариант №1. Механическая
Конструкцию этого несложного агрегата с механическим замесом вы можете увидеть на изображении ниже. Главное преимущество такой бетономешалки в том, что она имеет внушительный объем. Что касается привода, то он в данном случае может быть как ручным, так и электрическим. Для выгрузки бетона бадью необходимо наклонить набок.

Но есть и минус, присущий, в принципе, всем агрегатам с бадьей цилиндрической формы – это некачественное перемешивание в углах. Еще смесь разбрызгивается, если скорость составляет более 35-ти оборотов за минуту. Но со второй проблемой можно справиться, если наварить по завершении сборки ту часть бочки, которая была отрезана, обратно на свое место и проделать в ней лючок.
Вариант №2. Горизонтальная комбинированная конструкция, которая оснащена гребенками
Данная конструкция, равно как и описанная выше, тоже бывает как ручная, так и электрическая. К преимуществам можно отнести высокую однородность замешивания, а также высокую скорость и качество данной процедуры. Подобную бетономешалку делают из старой бочки, но ее качество мало чем уступает лучшим современным моделям промышленного назначения. Что характерно, скорость замешивания при этом определяется числом оборотов, а не временем (чтобы приготовить раствор, нужно провернуть всего три-четыре раза).

Хотя есть и минус – он состоит в том, что конструкция достаточно сложная. Для изготовления даже ручного варианта понадобится несколько десятков различных элементов
При этом особое внимание должно уделяться именно разгрузочному люку – все уплотнители, шпингалеты с петлями должны быть исключительно качественными и надежными. Тем не менее, если вам предстоит выполнить много работы за рекордно короткое время в месте, где нет электрического питания, то такая бетономешалка очень даже пригодится
Наконец, заметим, что аналогичные конструкции изготавливаются и в промышленных масштабах.
Вариант №3. Электрическая конструкция
Это, пожалуй, наиболее распространенный вариант, который в большинстве случаев и копируется домашними умельцами. Следовательно, что-то особенно пояснять не нужно. Схему вы можете найти на изображении ниже. Существует масса разновидностей, имеющих те или иные конструктивные отличия, а найти детальные чертежи не составит труда. Словом, приведем лишь некоторые объяснения.
- Горловина и дно емкости обязательно должны быть укреплены планками, приваренными крест-накрест.
- Больше всего подходит в данном случае рамный миксер, который приварен к оси.
- Рекомендуется, чтобы емкость вращалась вместе с осью – так конструкция рамы получится сложнее, зато вам не придется уплотнять вал в днище (последнее как раз и является одной из причин непродолжительного эксплуатационного срока мешалок).
Вариант №4. Вибрационный агрегат
Довольно часто люди, имея перфоратор мощностью 1-1,3 киловатта с ударными механизмом, который включается принудительно, пробовали изготовить вибрационную бетономешалку самостоятельно, однако в большинстве случаев они не получали желаемого результата.
Ознакомимся с распространенными ошибками.
Прежде всего, это неправильный подбор емкости. Последняя должна быть только круглой, не слишком широкой, но зато высокой.
Вибратор располагается неправильно. Его следует расположить на оси емкости, а расстояние от него до дна должно приблизительно соответствовать его радиусу. Над самим вибратором должен быть раствор высотой, не превышающий его (опять же) диаметр.
Применяется плоский вибратор. Дело в том, что если он изготовлен из листа металла, то не сумеет возбудить в бетоне требуемую систему волн
Важно, чтобы профиль элемента был хотя бы примерно таким, как продемонстрировано на изображении. Оптимальный вариант – пара блюдец либо тарелок (предпочтение лучше отдавать металлическим), которые сложены вместе.
И последнее – это вибратор слишком большого размера
Его диаметр должен составлять по 15-20 сантиметров на каждый киловатт мощности. Проще говоря, если мощность перфоратора составляет тех же 1,3 киловатта, то прибор справится с тарелками диаметром 25 сантиметров. Если диаметр будет большим, то бетономешалка своими руками попросту не сумеет «раскачать» раствор.
Если будете следовать всем этим требованиям, то сможете получить бетон отменного качества.

Проще не бывает

Простейшая ручная бетономешалка
Взгляните на рисунок. Это и есть простейшая гравитационная бетономешалка. В ней можно замешивать даже сухой раствор на стяжку: труба-ось будет рассекать раствор при переваливании, так что в этой машине имеет место и некоторое принудительное замешивание. И штукенцию сию можно еще более упростить и удешевить до того, что мастер-любитель средней руки, владеющий азами сварочных работ, сможет изготовить такую буквально часа за полтора-два.
Дырявить довольно дорогой молочный бидон нет надобности: подойдет и прохудившаяся выварка. Свищ или трещину завариваем, а крышку закрепляем так: в ручку крышки продеваем обрезок трубы или просто палку и туго-натуго притягиваем к ручкам бадьи веревкой или толстым резиновым шнуром; пойдет рваный для крепления грузов к верхнему багажнику автомобиля.
Точеные цапфы для крепления бадьи к оси тоже не нужны: выварку просто привариваем, а для алюминия привариваем к оси пару подходящих кусков металла – прутка, полосы 6-8 мм толщиной, и крепим к ним бадью болтами. А без муфт из кусков трубы, не говоря уже о подшипниковых, можно вовсе обойтись: в стойках станины вырезаем сваркой U-образные углубления, ось в них будет просто лежать. Вращаться будет со скрипом и дерганьем, но замесит исправно.
Недостаток у подобной мешалки один: вращать тяжеловато, и замес длится от 5 до 15 мин. в зависимости от вязкости раствора. Но производительность труда по сравнению с ведром и лопатой возрастает не менее чем втрое, и качество бетона для самостоятельной стройки такая вот простая ручная бетономешалка дает вполне приемлемое.
Предназначение, виды

Бетономешалка редукторная
Исследуемое устройство представляет собой установку, главным предназначением которой является ускоренное приготовленное бетона и смешивание специальных строительных составов.
Посредством использования такого оборудования достигается быстрое и равномерное перемешивание составляющих компонентов: цемента, щебня, песка и воды.
Применение в работе бетономешалок позволяет осуществлять более качественное и быстрое приготовление раствора.
Вне зависимости от типа конструкции и принципа работы все без исключения установки включают в свой состав следующие основные узлы:
- Мобильный или стационарный остов (станина).
- Емкость для смешивания компонентов.
- Двигатель, приводящий в действие барабан.

Перед наполнением резервуара сухими смесями необходимо включить привод и наполнить барабан водой в пропорции, позволяющей приготовить требуемое количество бетона.
Среднее время смешивания состава варьируется в диапазоне от 7 до 10 минут. Готовая смесь выгружается посредством опрокидывания барабана или на отдельных моделях – открытия створки. При этом устройство для смешивания не выключается.
Изготовление бетономешалки из бочки
Одним из важнейших элементов бетономешалки является бочка. Для работы с большими объемами необходима емкость около 200 л. Такую бочку можно найти в пункте сдачи металлолома или изготовить самостоятельно из листового металла. Если же подразумеваются работы меньшего масштаба, то подойдет закрытая емкость меньшей вместительности.
Схема электрической бетономешалки из бочки.
Необходимо проверить наличие плотно скрепленного дна у бочки и присутствие крышки. Если дно недостаточно прочное, можно укрепить его с помощью дополнительного металла, приварив его сварочным аппаратом. Герметичность бочки крайне важна в работе с бетоном, так как недостаточная герметичность может повлечь за собой садовый участок, залитый бетоном из дыр бочки.
Внутри бочки к дну и крышке привариваются лопатки (металлические валы) под углом в 30°. Они служат для последующего перемешивания раствора. Благодаря своему расположению раствор в углах будет равномерно размешиваться, в результате будет получен раствор хорошего качества. Лопатки должны быть прочно припаяны к стенкам бочки, так как им предстоит перемешивать составляющие бетона. А это дополнительная нагрузка, особенно если гравий достаточно крупный.
Крышка служит для засыпания составляющих раствора внутри бочки. Отверстие под будущую крышку вырезают в центре, чтобы после завершения работы раствор легко «перекочевал» в подставленную тару. Для того чтобы было удобно закрывать крышку, необходимо припаять дверные петли к бочке и вырезанному куску металла. Можно придумать несколько способов крепления крышки к бочке. Например, использовать защелки, задвижки или сдвигать крышку в сторону.
Схема устройства рамы бетономешалки.
Второй главной составляющей самодельной бетономешалки является прочность основания. Оно должно быть достаточно крепким, чтобы выдержать вес бетономешалки и раствора в ней (например, установить «острия» прутьев в ямки на земле). Такое основание можно сделать из металлических прутьев, сварив их в форме буквы «А», а после соединив их между собой. Созданное таким образом крепление должно достаточно прочно стоять на поверхности, не рискуя перевернуться от веса конструкции.
Для того чтобы перемешивать раствор, необходима ручка, которая припаивается к бочке, например, в виде кочерги. Для этого используется оставшийся металлический прут или арматура.
Аналогами этого могут быть мотор от советской стиральной машины, бензиновой моноблок, мотоблок мощностью не менее 1,3 кВт. Однако подобное сооружение требует большой аккуратности в использовании.
Самодельные бетономешалки достаточно мобильны в плане высоты. Достаточно, чтобы под нее свободно входила тара необходимого размера (бадья, корыто, таз).
Процесс изготовления самодельной бетономешалки своими руками
Начнем с бочки и ее внутренностей. Нам нужно посадить ее на ось, центрировать и сделать элементы внутри, которые будут максимально качественно смешивать бетон и делать однородную смесь, пригодную для строительных работ.
ШАГ 1. С помощью сварочного аппарата или дрели нужно ровно по центру снизу и сверху бадьи сделать 2 отверстия, продеть через бочку металлическую ось 30 мм и хорошо обварить все, чтобы бочка была намертво прикреплена к валу.
ШАГ 2. С помощью болгарки вырезать вдоль бочки прямоугольник размером (90х30 сантиметров) – место засыпки строительных материалов. Слишком маленький люк делать нельзя, поскольку неудобно будет высыпать готовую смесь. Большое отверстие тоже нежелательно – оно существенно снизит прочность изделия.
ШАГ 3. Берем металлический квадрат и делаем несколько «лопастей» внутри самодельной бетономешалки. Одна сторона приваривается к оси, другая – к стенке бочки. Достаточно 4-5 лопастей, равномерно распределенных по всей площади бадьи.
ШАГ 4. Вырезанный прямоугольник привариваем к петлям, которые, в свою очередь, надо закрепить на бочке, чтобы получился открываемый люк. Фиксатор крышки можно сделать на свое усмотрение, вплоть до прикрепления обычного дверного крючка. Основная задача крышки – предотвратить выпадение смеси под ее собственным весом, поэтому крепить надо все прочно.
Чтобы сделать ручную бетономешалку своими руками, необходимо установить ее на штатив, высотой 1 метр – оптимальная высота для аппарата на 150-200 л. Если есть возможность и желание, лучше сделать ее под углом 10-15 градусов – легче будет все перемешивать, но это не обязательно и на процесс повлияет несущественно. Рассмотрим поэтапный процесс изготовления основы.
ШАГ 1: свариваем рамку. Берем швеллер 60 мм длиной 1 метр и привариваем с одной стороны швеллер длинной 50 см – одна опорная нога готова. Аналогично свариваем и другую опору.
ШАГ 2: увариваем втулки. Толстостенную трубу длинной 20 см надо приварить к другому краю швеллера. В нее будет заходить металлическая ось.
ШАГ 3: вставляем ось во втулки, привариваем с обеих концов толстые металлический шайбы – они будут стопорными кольцами, чтобы вал никуда не сбежал в процессе приготовления бетона. Ручная бетономешалка своими руками уже стоит на штативе и легко прокручивается по оси, осталось сделать для нее привод.
ШАГ 4: привариваем руль (либо его аналог). К одному краю оси необходимо приварить металлический руль или колеса, без разницы. Главное – большой диаметр круга, чтобы удобно было прокручивать полную бетономешалку.
Электрический привод для бетономешалки будет стоять намного дороже, поэтому нет смысла тратить много денег. Такого аппарата должно полностью хватить для нужд обычного строительства в частном доме или на даче. Ручная бетономешалка из бочки практически не имеет срока пригодности, поскольку изнашиваемые части сделаны из толстого металла, а втулки (при условии правильного использования) будут истираться 5-7 лет.
Выбор конструкции мешалки
Для заливки бетонов и приготовления цементных растворов различных марок применяются следующие виды механизированных смесителей:
- принудительного действия — шнековые и лопастные;
- гравитационные;
- вибрационные.

Бетономешалка принудительного (слева) и гравитационного действия (справа)
Обычно домашние умельцы изготавливают гравитационные и принудительные модели бетоносмесителей – под них проще набрать комплектующие и материалы, имеющиеся в хозяйстве. Разберем подробнее каждую конструкцию.
Смесители принудительного действия
Принцип работы этой строительной машины напоминает приготовление раствора дрелью с насадкой – миксером. Перемешивание происходит с помощью лопастей либо шнека, установленного внутри неподвижной цилиндрической емкости. Привод – редукторный, цепной или ременной от электрического мотора мощностью 500 Вт и более (зависит от размеров емкости).

Принцип принудительного смешивания — корпус остается неподвижным, вращаются только лопасти
Конструкции принудительных бетономешалок могут отличаться по ряду признаков:
- положение бадьи – вертикальное либо горизонтальное;
- мобильность – стационарные установки (перемещаются краном или волоком) или передвижные модели на колесах;
- способ выгрузки – через открывающийся лючок либо переворачивание горизонтальной бадьи, закрепленной на шарнирах;
- порядок работы – циклический или непрерывный.

Главное достоинство принудительной бетономешалки – получение однородного качественного раствора. Недостатки:
- сложность изготовления – корпус и рабочую часть необходимо четко подогнать друг к другу, чтобы по углам емкости не оставалось мертвых зон, куда не достают лопасти;
- приготовление бетонов затруднено — между стенками бадьи и лопастями застревают крупные и средние камушки;
- подшипники самодельной мешалки надо защитить от проникновения воды, песка и цемента.
Вывод: установка отлично подойдет для выполнения штукатурных, отделочных и кладочных работ, особенно с применением сухих смесей. Также допустимо готовить бетон с наполнителем мелкой фракции – гравием, мраморной крошкой и так далее.
Машины гравитационного типа
Простейшая ручная бетономешалка, использующая принцип естественного перемешивания, изображена на фото. Если в домашнем хозяйстве отыщется железная бочка 200 л и обрезки металлопроката, такая самодельная конструкция обойдется практически бесплатно – из деталей придется купить только подшипники.

Классический бетоносмеситель с грушевидной бадьей использует комбинированный принудительно-гравитационный принцип. Изнутри емкости приварены лопасти хитрой формы, пропускающие бетонную смесь вдоль стенок, но захватывающие раствор ближе к центру. «Груша» вращается электрическим двигателем, бетон выгружается путем наклона рабочего барабана.

Чем хороши подобные конструкции:
- мешалка годится для приготовления любых растворов;
- простота изготовления — шарнирные элементы вынесены за пределы емкости и не нуждаются в герметизации;
- «грушу» и привод можно разместить на стационарном либо передвижном каркасе, оборудованном колесами и даже прицепным устройством для легкового автомобиля.
Традиционные бетономешалки уступают принудительным по скорости приготовления и однородности раствора, зато выигрывают в простоте конструкции и универсальности. Для домашнего пользования больше подходят именно гравитационные модели. Пример такой самоделки с мотором от стиральной машины показан на видео:



































