Порядок установки домофона
Перед тем как начать монтажные работы необходимо составить план размещения элементов домофонной системы
Особенно важно продумать место размещения разговорной трубки или видеотерминала. Они должны располагаться в том месте, где чаще всего находятся люди в течение дня
Возможно, таким местом окажется кухня.
Составив план и оценив необходимое количество провода, производят прокладку силового и сигнальных кабелей. Затем монтируют элементы СКУД. На следующем этапе производят электрические соединения и проверку работоспособности домофона.
Прокладка кабелей
Провода и кабели следует прокладывать в гофрированных гибких трубах, пластиковых или металлических. Гофру можно использовать при наружной прокладке проводов и при прокладке в стенах, за гипсокартонном. Для прокладки кабелей в земле можно применить полиэтиленовые трубы низкого давления. Глубина прокладки кабеля в земле должна составлять не менее 40 – 60 см. При наружной прокладке по стенам провода укладываю кабель каналы.
Внимание! Прокладывая кабели для домофона, следует помнить, что слаботочные и силовые кабели нельзя прокладывать в одной трубе. Близкое расположение силовых и сигнальных кабелей может привести к наводкам, которые будут проявляться в виде звукового фона сети или помех на изображении.. Три совета
Оставляйте небольшой запас на концах кабельных линий. Это облегчит монтаж и позволит облегчить ремонт
Три совета. Оставляйте небольшой запас на концах кабельных линий. Это облегчит монтаж и позволит облегчить ремонт.
Если линию приходится делать из нескольких кусков, выполняйте паяные соединения и защищайте их с помощью термоусадочных трубок.
Прокладывая провод к электромеханическому замку наденьте на место изгиба гибкую защиту.
Монтаж вызывной панели
При монтаже панели вызова видеодомофона постарайтесь обеспечить максимальный обзор перед калиткой и прилегающей территорией. Возможно, для этого вызывную панель придется развернуть в сторону калитки.
Монтаж разговорной трубки
Обычно в комплект поставки домофонных трубок входят элементы крепежа и дополнительные аксессуары. Поэтому серьезных проблем с установкой трубки быть не должно. Смонтируйте рядом с трубкой электрическую розетку и установите терминал на высоте удобной для всех членов семьи.
Монтаж контроллера
Контроллер размещают вблизи вызывного устройства и считывателя электронных ключей. Контроллер можно поместить в герметичный бокс или спрятать в нише за вызывным устройством. Главное чтобы он был надежно защищен от воздействия влаги и прямых солнечных лучей.
Подключение и наладка
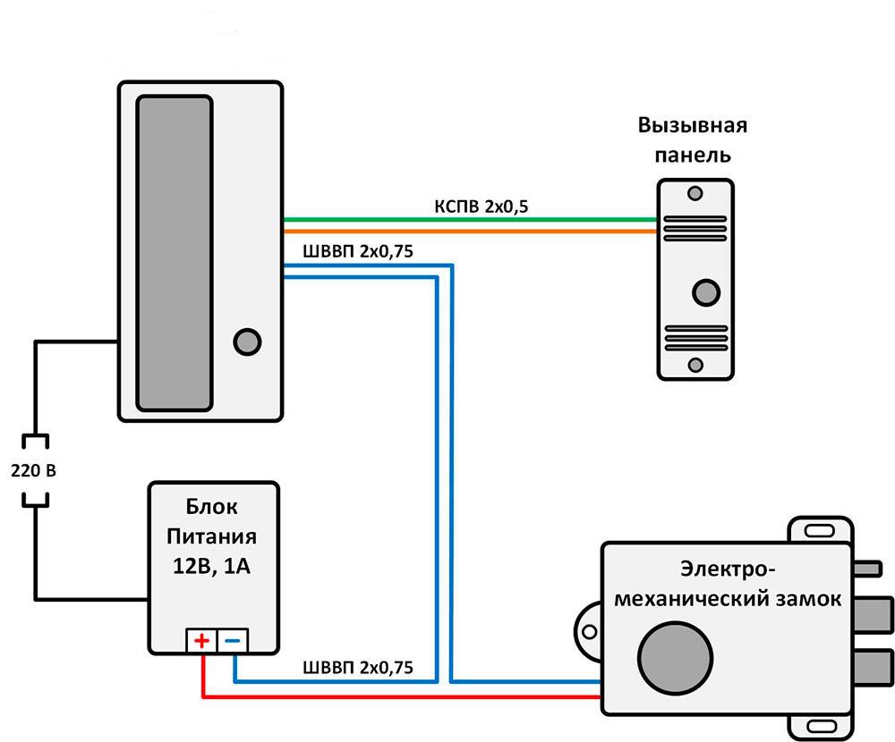
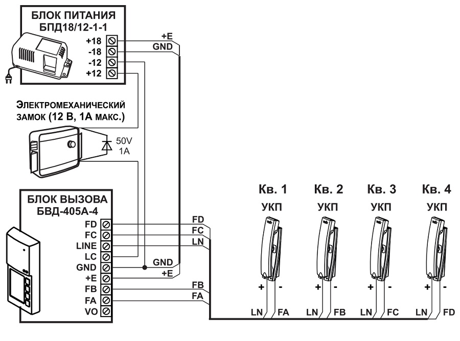
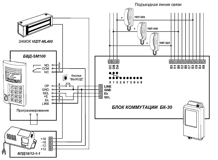
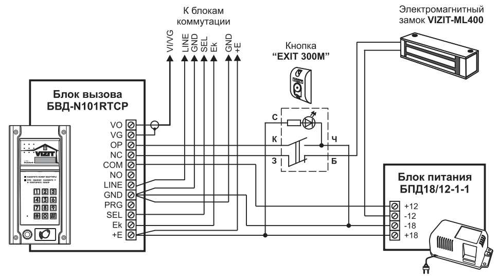
Соединение блоков домофонной системы следует выполнять согласно с монтажной схемой. Чтобы не случилось ошибок, помечайте цвета проводников и их назначение на чертеже. Если вы используете кабели с многопроволочными жилами, напрессовывайте на них наконечники. Применение наконечников улучшает надежность контактов.
Как показывает практика, правильно собранные схемы домофонов начинают работать сразу и в дополнительной наладке не нуждаются.
Программирование электронных ключей
При использовании контроллера считывателя ключей имеется возможность «программирования» чипов. Процедуру можно выполнить с помощью, так называемого мастер ключа или путем перевода контроллера в режим программирования с помощью перемычек.
Программирование с помощью матер ключа выполняется следующим образом. Вначале к считывателю подносится мастер ключ. При этом котроллер переводится в режим программирования. После этого к считывателю подносится «программируемый» ключ. В этот момент контроллер запоминает номер ключа. Тем самым «программируемый» ключ поучает разрешение на открытие двери.
В отсутствии мастер ключа контроллер можно перевести в режим программирования с помощью переключения перемычек. Подробно об этой процедуре можно узнать из технической документации.
Как выбрать комплект домофона для установки?
Самый простой вариант – это комплект, состоящий из аудиотрубки и аудиовызывающего устройства. Также есть возможность установки видеодомофона. Такой вариант состоит из аудиотрубки, базы с экраном и видеоглазка, который монтируется непосредственно на входную дверь. Для правильного монтажа такой системы необходимо четко соблюдать последовательность подключения внутренних жил кабеля согласно их цветовой маркировке.
Наиболее удобным комплектом для установки в квартире будет самое обычное изделие, так как аудиовызывающее устройство устанавливается на входной двери подъезда. Часто решение обзавестись домофоном является коллективным по желанию всех жильцов подъезда и, как правило, удобней всего в этом случае будет обычная модель. Видеодомофон, в свою очередь, больше подходит для эксплуатации в частных домах и коттеджах.

Инструкция по установке внешней панели
Чтобы можно было использовать домофон в квартире, нужно установить панель на улице – внешнюю. Для этого требуется соблюдать некоторые моменты:
аппарат должен находиться на определённом расстоянии, не ниже 160 см от земли; для встраиваемого корпуса необходимо прочертить линии под штробы, определить, где будет находиться встраиваемая коробка; для накладной панели нужно наметить место крепежных элементов, аккуратно проделать отверстие для дюбелей, на которых будет закреплен аппарат; перед тем как проделывать штробы, следует обратить внимание на размер гофрированной трубы, замерить ее величину и размер аппарата, который будет встроен; встраиваемую коробку после установки требуется фиксировать при помощи цементной смеси; гофрированную трубу помещают в штробы, если нужно закрепляют гвоздями; гвозди вытаскивают во время шпаклевки штробы с трубой; далее провода соединяют с внешней панелью, лишнее отрезают; уличную панель устанавливают на встраиваемую коробку. На первый взгляд может показаться, что схема чересчур сложная
В таком случае можно обратиться в домофонную фирму, которая занимается обслуживанием домофонных систем в данном районе
На первый взгляд может показаться, что схема чересчур сложная. В таком случае можно обратиться в домофонную фирму, которая занимается обслуживанием домофонных систем в данном районе.
Установка уличной панели
Как подключить домофон самостоятельно? Следующий пункт – это установка уличной внешней панели:
Примерная высота элемента от земли – 1,6 м. Для накладных панелей на двери или стене отмечаются места расположения крепежных дюбелей, затем по наметкам высверливаются отверстия и крепится устройство. Для встраиваемых вариантов прочерчиваются линии для штрабы, отмечается положение встраиваемой коробки
С помощью зубила прорежьте штрабу, беря во внимание толщину как встраиваемого элемента, так и гофрированной трубы. Установите и зафиксируйте встраиваемую коробку цементом
Затем поместите в штрабу гофрированную трубку. При необходимости закрепите ее положение гвоздями. Аккуратно зашпаклюйте штрабу с трубой, попутно вытаскивая удерживающие последнюю гвозди. Теперь отрежьте до необходимой длины провода из трубы, подсоедините их к уличной панели. Заканчивается действие фиксацией уличной панели во встраиваемой коробке.

Протяжка кабеля, установка крепежей и кронштейнов
Если провода к монитору ещё не были выведены, возьмите монитор и найдите место по вашему усмотрению где Вы хотите его установить. По возможности вблизи входной двери, на видном месте, но так расположенном, чтобы по принципу от греха по дальше лучше не устанавливать его в местах и на высоте провоцирующей возможность зацепления или облакачивания об него.
На место в которое Вы хотите установить монитор приложите кранштейн, и пометьте отверстия для шурупов. Если Вы не уверены в том на сколько ровно приложен кроншткйн можете воспользоваться уровнем если он у Вас есть. Теперь спрячте монитор подальше от пыли и пробурите отверстия для крепления шурупов (обычно используется 6-мм бур, если стена не из бетона \ кирпича вместо бура и перфоратора используйте дрель и свёрла для определённого типа поверхности).
Туже самую процедуру надо будет провести в месте, где Вы планируете разместить видеопанель. Подключение квартирного видеодомофона к линии подъездного домофона потребует также подключения блока сопряжения, а также поиска и сверки нужных проводов в щите Вашего этажа.
Затем Вам надо будет подготовить отверстие для того чтобы спрятать излишек проводов сзади монитора. Лучше всего установить подрозетник, однако так, чтобы он не мешал установке кронштейна.
Размер отверстия должен позволять спрятать все провода которые будут спрятаны за монитором так чтобы монитор мог полностью зайти на кронштейн. Объём проводов зависит от количества подключаемых к монитору устройств и длины проводов.
! многие любители часто совершают ошибку таким образом, что максимально сокращают длину проводов, однако растояние проводов с подключенными разъёмами должна позволять поключить их к монитору перед его установкой на кронштейн. Также нельзя сокращать провода на длину меньшую чем 5 сантиметров, так как в случае повреждения провода или необходимости переподключения Вам придётся прокладывать новый провод.
Теперь приступайте к протяжке кабелей в соответствии с вашей общей схемой. Когда провода будут разведены подключите провода к соответствующим разъёмам монитора и видеопанели в соответствии с инструкцией видеодомофона, а также детальной схемой описанной в изображении. Для удобства многие устанавливают за монитором подрозетник.
Конструкция абонентской трубки

Абонентское квартирное устройство состоит из двух частей. Это телефонная трубка и панель, которая обычно крепится на стену рядом с входной дверью. Трубку можно установить в любом месте, только потребуется прокладывать провод по квартире. Внутри телефонной трубки находятся микрофон, динамик и небольшая плата с дискретными элементами. На панели установлен рычаг снятия трубки, а на самой трубке имеется кнопка открывания двери.
Кнопка электронного замка может быть расположена и на настенной панели. В современных моделях рычаг заменён герконом, а на самой трубке имеется небольшой магнит. На некоторых моделях может быть установлен переключатель включения трубки. С обратной стороны панели находятся два винта помеченные «+» и «–». К ним подключается двухпроводная линия.
Подключать провода к трубке домофона следует с соблюдением полярности, иначе домофонной системой пользоваться будет нельзя – она работать не будет.
- Все подъездные домофоны, устанавливаемые в подъездах многоквартирных домов, делятся на две группы:
- координатные;
- цифровые.
Исходя из типов домофонов, небольшие отличия имеют и квартирные трубки. В координатных домофонах за номер квартиры отвечает коммутатор, установленный в подъезде, а в цифровых устройствах, специальная микросхема, которая находится на плате внутри телефонной трубки.
Как подключить?
Процесс подключения может разниться в зависимости от аналогового или цифрового типа. Однако и в том и в другом случае следует внимательно продумать некоторые детали.
Для начала следует определиться с местом расположения – чаще всего трубку крепят у двери. Если же вы приобрели мобильное устройство, то о данном шаге вы можете не беспокоиться.
В том случае, если вы устанавливаете аналоговую трубку, то следует позаботиться о подключении коммутатора и проводов
Здесь важно правильно подсоединить все контакты. Помните, что сумма контактных номеров должна быть такой же, как и номер конкретной абонентской точки (за счет этого будет обеспечиваться связь).
После этого с соблюдением полярности клемм нужно подсоединить провода. Если же производится установка цифровой трубки, то нужно подключить все джамперы.
Если же производится установка цифровой трубки, то нужно подключить все джамперы.

Когда основная часть процесса осуществлена, необходимо позаботиться о тестировании системы, чтобы удостовериться в корректности работы.
О том, как установить домофонную трубку самостоятельно, смотрите в видео ниже.
Установка домофона в квартиру
Рано или поздно каждый из нас столкнется с проблемой подключения трубки.
- Этому может быть ряд причин:
- Монтаж оборудования самостоятельно в связи с установкой системы защиты.
- Подключение трубки по причине поломки ранее установленного устройства домофона.
Если все же вам предстоит самостоятельно заняться данной работой, то в первую очередь следует приобрести абсолютно новое оборудование. В данном случае следует учитывать тот факт, что трубка должна полностью соответствовать установленной домофонной системе.
Настоятельно рекомендуется покупка товара только у официальных дилеров, которые гарантируют качество товара и предоставляют гарантию на долгий срок службы. Устройство должно отвечать всем поставленным условиям качества, поскольку только высококачественные трубки для домофона могут обеспечить бесперебойную и надежную работу системы защиты. В противном случае повторная установка не заставит себя ждать.
Монтаж трубок для цифровых домофонов
Цифровые домофонные системы в основном применяются в многоквартирных домах. Установка трубки данного типа имеет свою специфику, а именно: такая схема адресации требует наличия двужильного кабеля, к которому прикрепляется абонентская трубка
Здесь следует обратить внимание на полярность
Каждая трубка домофона имеет свою микросхему, которая программируется перемычками или джамперами на каждый номер квартиры. В связи с этим, чтобы узнать номер своей квартиры, придется аккуратно разобрать трубку и внимательно изучить имеющуюся микросхему. Возле каждой перемычки расположена специальная цифровая панель, на которой числа идут в порядке возрастания.
Здесь код квартиры складывается из чисел, относящихся к замкнутым перемычкам. Разобранная старая трубка может послужить вам примером, с которого можно перенести код на новое устройство. Таким образом, установка новой домофонной трубки не составит большого труда.
Монтаж трубки на домофон координатно-матричного типа
Подключить трубку домофона самостоятельно на данный тип не составит труда. Здесь вся работа заключается в передаче сигнала на специальный коммутатор, который при получении вызова обрабатывает его, и за счет наличия специальных ключей отправляет сигнал вызова на необходимое абонентское устройство. Установка трубки для такого домофона заставит хозяина не только потрудиться, но и проявить смекалку.
При монтаже вся проблема заключается в кабеле, который подразделяется на множество проводов, относящихся к каждой отдельной квартире в подъезде. Здесь также следует учитывать, что ключи десятков в основном не превышают семи с учетом нуля. Таким образом, общее количество пользователей может составить более восьмидесяти.
Монтаж трубки домофона своими руками состоит в поиске нужной шины десятков, а также единиц. С десятками справиться очень просто – они расположены на щитке необходимого этажа. Все что требуется – это найти провод, к которому подключены провода, относящиеся к каждой квартире в подъезде. Таким образом вы подберете нужный вам кабель.
Чтобы правильно выбрать шину единиц, необходимо подняться на этаж с номером квартиры, который совпадает с последней цифрой вашей квартиры, и снова найти кабель на щитке. К шине десятков подключается плюс, а к шине единиц – минус. На этом все сложности заканчиваются.
Монтаж устройства не составит труда. Дальше просто подключаем трубку
Для этого проделываем всю описанную процедуру, обращая внимание на полярность. При соблюдении всех имеющихся правил, можно сказать, что установка завершена
Что нужно учитывать желающим установить домофон
установить домофон в квартиру
- какой аппарат выбрать – аудиодомофон или видеодомофон (черно-белый, цветной);
- сколько денег он готов отдать за установку аппаратуры и само устройство;
- согласны ли другие жители подъезда участвовать в данном мероприятии;
- какое количество трубок будет установлено в квартире;
- какой компании доверить обслуживание домофонной системы или хозяин жилья сможет справиться собственными силами.
Когда решение монтировать устройство (механическое или магнитное) принято, требуется подробнее изучить следующие моменты:
при условии, что установкой домофона будет заниматься компания, удостовериться в компетентности сотрудников, почитать отзывы об их работе;
поинтересоваться, сможет ли работать домофонная система в тех климатических условиях, в которых вы проживаете;
узнать степень защиты внешней панели от действий злоумышленников;
проверить наличие сертификата качества, руководство к использованию;
обратить внимание на наличие гарантийного обслуживания;
если сломается какая-нибудь деталь, получится ли ее заменить;
эффективность охранной функции;
наличие дополнительных возможностей (например, трансляция или запись происходящего около подъезда).
В заключение заметим, домофон в квартире – это удобно. Провести устройство несложно. Если человек хоть немного разбирается в электронике, знает и соблюдает правила техники безопасности при работе с электричеством, то он сможет с легкостью установить домофонную систему самостоятельно.
Как подключить домофон самостоятельно в многоквартирном доме? Видеоинструкция о том, как самому установить домофон:
Watch this video on YouTube
19 Сен 2018 kasjanenko
1151
Важные моменты
А теперь – обещанные семь пунктов, на которые обязательно надо обратить внимание, вне зависимости от того, будете вы проводить монтажные работы своими руками или обратитесь к мастеру. Это ваш чек-лист, который должен быть в голове
Ну, или перед глазами, записанный на листок. Поехали!
1. Выбирайте место для видеодомофона, к которому у вас есть легкий доступ. Когда мы находим панель в коридоре или в другой комнате, где мы часто останавливаемся или к которой у нас есть легкий доступ, нам будет намного удобнее пользоваться видеофоном
Также стоит обратить внимание на то, что монитор видеофона установлен на самом удобном для жителей уровне. Видимость ЖК-экрана под правильным углом
2. Кабели должны соответствовать требованиям, указанным в инструкциях производителя (соответствующее количество проводов, соответствующее поперечное сечение, усиление). Использование многоядерных телефонных проводов – довольно частая ошибка сборки. Помните, что они очень устойчивы к механическим повреждениям, они также не подходят для укладки снаружи, в земле даже в защитной трубке. Мы также должны помнить, что мы не должны помещать кабели в легкодоступные места. В идеале, если они экранированы, изолируются так, чтобы они не подвергались механическим повреждениям или наводнениям.
3. Должна быть возможность аварийного открытия двери – если мы не предвидим такой возможности, может получиться, что после случайного захлопывания входа или потери ключей мы не доберемся до нашего дома. Стоит установить дополнительную скрытую кнопку открытия, особенно у ворот. Он также может быть внешней панелью с кодированным доступом. Установка входного телефона
4. Адаптация места для монтажа внешней панели домофона или видеофона. Ошибка, или, скорее, серьезная проблема, заключается в установке межсоединений или видеофонов в старых домах без предварительной подготовки ниш и мест для сборки и защиты проводов. Проблема возникает особенно в старых домах или их заборах. Установка домофона или видеофона должна быть запланирована сразу, все еще на этапе установки дома или ограждения. Тогда мы можем, например, в кирпичной стойке или у входа, сделать специальные ниши для панели, электромагнитную защелку и подготовить пространство для проводов. Благодаря этому вы можете избежать неудобных стен. Обычно вам нужно прокладывать провода внутри стен (контролируя сцепное устройство), даже если у вас есть модель беспроводного домофона.
5. Следите за правильностью освещения – это может относиться как к месту перед воротами, так и к входу в дом. Обычно видеофоны оснащены диодами, которые позволяют получать изображение даже в темноте, но обычно они имеют небольшой диапазон. Поэтому стоит добавить дополнительную лампу, которая включается после наступления темноты, проливая свет на людей, входящих. Он может включаться с помощью кнопки вызова домофона. Объектив видеотелефона не должен подвергаться воздействию прямых солнечных лучей, потому что полученное изображение будет очень расплывчатым. Стоит задуматься о присоединении к установке, а также о функции включения освещения дома, особенно когда он довольно длинный. Полезен сумеречный датчик и таймер, который ограничивает время работы освещения.
6
Обратите особое внимание на маршрутизацию кабеля. Кабель, соединяющий внутреннюю и внешнюю панель домофона или видеофона, должен удовлетворять требованиям модели устройства (количество ядер, минимальное поперечное сечение, возможно, необходимость экранирования)
Часто для этой цели используются многоядерные телефонные линии, которые – из-за их низкой механической прочности – не должны размещаться непосредственно в земле, а приводятся в защитную трубку.
Столь же хорошее, хотя и более дорогое решение – использовать силовой кабель типа YkY, например, 3 x 1,5 мм2.
При планировании маршрута трубопровода необходимо помнить, что он не будет в том месте, где поверхность будет затвердевать. Возможные соединения выполняются в воздухонепроницаемых банках на высоте, не подверженной затоплению.
7. Предусмотрите ограждение для вызывной панели. Если вы планируете установить домофон или видеодомофон, на стадии строительства стоит адаптировать к установке внешней панели
Это особенно важно для столбов ворот кирпичной кладки. При размещении столбов в них должны быть сделаны ниши под панелью, благодаря чему мы избежим резки кирпичей
Установка и подключение домофона с электромагнитным замком
Электромагнитные замки различаются по методике посадки на дверное полотно.
- Существуют схемы:
- монтажа в вырез с накладками прочных частей корпуса на поверхность створки;
- установки во внутреннюю полость двери с обязательным выводом магнитной площадки заподлицо с поверхностью.
Первый вариант установки требует меньше навыков столяра, но может вызвать трудности при работе с металлической дверью. Второй – отличается большей точностью, потребует профессиональных навыков для создания выемки в деревянной двери. Для фиксации замка используется ручной инструмент, саморезы и другой тип разборного соединения. Приваривать запорный механизм к двери крайне не рекомендуется.
Провод для подключения рекомендуется размещать либо по торцу створки, либо так, чтобы его скрывали обналичники. Также можно провести трассу внутри накладного кабельного канала.
Установка вызывной панели
Где именно разместить вызывную панель домофона, зависит от пожеланий владельца. При этом следует руководствоваться элементарным здравым смыслом: для нажатия кнопки вызова или помещения лица в область захвата видеокамеры от посетителя не нужно требовать каких-либо особенных действий.
Вызывная панель размещается так, чтобы все ее части (кроме лицевой) были закрыты для невозможности случайного или намеренного повреждения, защищены от влаги. Для подключения стоит заранее проложить кабели. Их соединение проводится согласно инструкции к устройству.
- Типовые цветовые маркировки выглядят так:
- красный кабель или клемма – для внутреннего зуммера;
- коричневый – для управления замком;
- красный – для плюсового кабеля питания;
- зеленый – на внутренний световой сигнал;
- желтый соединяется с кнопкой ручной деблокировки (изнутри охранной зоны);
- оранжевый подключается к датчику закрытия двери (если он используется);
- белый – к контактному устройству ключа.
Черный провод – единая маркировка общего контакта для всех устройств системы, присоединяется к линии минуса питания. При невозможности заранее проложить кабельную структуру в ограждении, грунте, металлических конструкциях рекомендуется располагать ее в металлической или гофротрубе, подойдут и прочные алюминиевые кабельные каналы.
Схема вызывной панели домофона всегда приводится в техническом паспорте, там же указываются и назначение, маркировка клеммной гребенки или отводных контактных линий устройства.
Схема подключения домофона с электромеханическим замком
На принесенном из магазина электромагнитном замке может быть разное число контактов.
- В общем случае, если производитель использует стандартизированную маркировку, цвета клемм или отводов соответствуют:
- зеленый – основной управляющий, деблокировка;
- черный – нулевой провод контроля состояния;
- синий, желтый – передают сигнал состояния фиксации или деблокировки соответственно.
Домофон не применяет подробную систему мониторинга, управляет исключительно деблокировкой. Поэтому замок подключается только двумя контактами: в стандартном случае зеленым (к управляющей точке вызывной панели) и красным (к плюсовой клемме блока питания соответствующего напряжения). Все необходимые технические данные всегда приводятся производителем в паспорте к изделию.
Как подключается домофон
В комплекте с домофоном обычно идут все комплектующие элементы:
- Внешний блок.
- Электромагнитный замок.
- Кнопка выхода из подъезда.
Комплектующие
Тип монтажа домофонной системы может быть двух способов. Обычно используют координатную схему подключения. Также существует и цифровая система подключения. Рассмотрим подробнее каждые из схем.
Координатная схема подсоединения
Данная схема реализуется следующим образом. К монтированному внешнему блоку домофонной системы подключается коммутатор, куда далее подсоединяются все трубки с квартир. Из-за параллельных соединений они не зависят друг от друга, но получается слишком много проводов (используются двужильные провода).
На внешнем блоке посетитель набирает номер квартиры. Сигнал идет на главный контроллер, обрабатывается и подключает для связи нужную ветку, ведущую к трубке. Данная схема наиболее распространена и популярна.
Цифровая схема
Другая, более дорогостоящая и менее распространенная схема основывается на цифровом сигнале. При такой схеме устройства не подключаются к коммутатору параллельно, а кабель, подключаемый к ним, устроен, как гирлянда. При соединении нужно соблюдать полярность. Если хоть одно устройство вышло из строя или его решили заменить, не соблюдая полярность, то вся система остановится. Это вызывает определенные неудобства.
При такой схеме имеется ограничение на количество абонентов. Максимальное число равно 255. Система перемычек позволяет генерировать цифровой сигнал и подключать всегда одну нужную трубку.
Инструкция к аналоговой системе
УСТРОЙСТВО И КОНСТРУКЦИЯ СОВРЕМЕННЫХ ДОМОФОНОВ
Как правило, домофоны для квартиры с подключением к подъездному, представляют собой аналоговое аудио оборудование.
Это локально устанавливаемые трубки, связанные с основной внутренней панелью, удаленно управляющей электрозамком подъездной двери. Такие устройства имеют минимальную функциональность и позволяют провести только голосовое распознание и дистанционно открыть дверь подъезда.
Следующий уровень – это видеодомофоны с черно-белой или цветной видеопанелью, позволяющие произвести визуальное распознание посетителя.
Как правило, они оборудованы спикерфоном, но некоторые могут иметь одну или несколько беспроводных рубок, в том числе, с мини мониторами.
Видеодомофоны премиум класса имеют более разветвлённый интерфейс, позволяющий устройству связываться со смартфонами владельцев, транслировать изображение на экран телевизора или ПК.
Так же они могут вести запись с сохранением информации локально или в облачном ресурсе, и имеют функцию автоответчика. По уровню безопасности это лучшие домофоны для квартиры, однако, их стоимость весьма высока, и они используются исключительно в индивидуальном порядке.
Многие премиум и элит домофоны используют технологию тачскрин для настройки основных функций и управления периферийными устройствами.
Выводы
Выбирая место для установки внутреннего блока, позаботьтесь о том, чтобы он был всегда на виду, или, как говорится, под рукой. В большинстве случаев он монтируется там, где хозяин проводит наибольшее количество времени. Часто можно увидеть домофоны в прихожей.
Если внимательно изучить технические документы, прилагающиеся к устройству, изучить схемы подключения, то установка домофона своими руками не составит для вас особого труда.
Однако сложными охранными системами должны заниматься специалисты, в таких случаях требуется взаимодействие большой команды наладчиков с опытом, доскональным знанием технической базы.





































